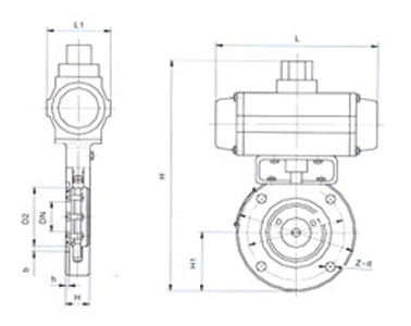
氣動蝶閥

氣動真空蝶閥
產品簡介
News Center
新聞中心產品型號:GIQ
公稱通徑:DN32-DN1200
適用溫度:-30℃~150℃
適用介質:純凈空氣,非腐蝕性氣體
連接標準:JB/T919;GB/T6070
閥體材質:碳鋼、不銹鋼
密封件:丁腈橡膠、氟橡膠
氣源壓力:0.4MPa~0.6MPa
適用范圍(Pa) | 105~1.3x10-5 |
閥門漏率(Pa.L/S) | ≤1.3x10-6 |
介質溫度(℃) | -25~+80(密封材料為丁腈橡膠) |
氣源壓力(MPa) | 0.4~0.6 |
法蘭標準 | JB919 |
安裝位置 | 任意 |
電源電壓 | 標準出廠:AC220V/50Hz |
信號反饋 | 標準出廠:不帶反饋信號 |
| 零件名稱 | 材質 |
| 本體 | A351 Gr.CF8 |
| 閥瓣 | A351 Gr.CF8 |
| 閥桿 | A351 Gr.CF8 |
| 閥座 | PTFE |

DN | 40 | 50 | 65 | 80 | 100 | 150 | 200 | 250 | 300 | 400 | 500 |
D | 85 | 110 | 125 | 145 | 170 | 220 | 275 | 330 | 380 | 500 | 600 |
Do | 70 | 90 | 105 | 125 | 145 | 195 | 250 | 300 | 350 | 465 | 565 |
D1 | 44 | 55 | 70 | 85 | 105 | 156 | 208 | 258 | 308 | 408 | 510 |
B | 22 | 22 | 26 | 30 | 30 | 35 | 40 | 45 | 55 | 60 | 80 |
H | 162 | 175 | 198 | 208 | 220 | 272 | 330 | 335 | 426 | 520 | 643 |
B1 | 90 | 90 | 102 | 102 | 102 | 115 | 205 | 205 | 152 | 180 | 220 |
L | 104 | 104 | 140 | 140 | 140 | 164 | 190 | 190 | 247 | 308 | 378 |
n-φc | 4-φ7 | 4-φ9 | 4-φ9 | 4-φ9 | 4-φ12 | 8-φ12 | 8-φ12 | 8-φ14 | 8-φ14 | 8-φ18 | 12-φ18 |
在線留言